產品名稱:塑料注射成型機 產品型號:JZW7380

|
規格 |
JZW7380 |
|
A |
B |
C |
|
注射裝置 |
|
|
螺桿直徑 |
mm |
90 |
95 |
105 |
|
螺桿長徑比 |
L/D |
23.2 |
22 |
19.9 |
|
理論容量 |
cm3 |
2861 |
3188 |
3894 |
|
注射重量 |
g |
2603 |
2901 |
3543 |
|
注射速率 |
g/s |
560 |
610 |
700 |
|
塑化能力 |
g/d |
85 |
100 |
110 |
|
注塑壓力 |
Mpa |
195 |
175 |
143 |
|
螺桿轉速 |
rpm |
0~130 |
|
鎖模裝置 |
|
|
鎖模力 |
KN |
7380 |
|
移模行程 |
mm |
950 |
|
拉桿內距 |
mm |
950×950 |
|
最大模厚 |
mm |
960 |
|
最小模厚 |
mm |
400 |
|
頂出行程 |
mm |
280 |
|
頂出力 |
KN |
200 |
|
頂出桿根數 |
Piece |
17 |
|
其他 |
|
|
最大油泵壓力 |
Mpa |
16 |
|
油泵馬達 |
KW |
30+37 |
|
電熱功率 |
KW |
48.8 |
|
外形尺寸 |
m |
10.1×2.6×2.8 |
|
重量 |
t |
38 |
|
料斗容積 |
L |
100 |
|
油箱容積 |
L |
1500 |
|
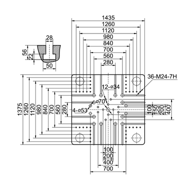
模板正面尺寸 |
 |
|
模板側面尺寸 |
 |
|
外型尺寸 |
 |
|
電控部分
|
|
1、TFT液晶彩色顯示屏
2、采用高速DSP處理器,時間控制精度可達1ms
3、高精度位移傳感器系統,控制精度為±0.2mm
4、采用模糊預測技術,溫度控制精度為±1℃
5、多路輸入/輸出端口,端口功能可隨意配置
6、具備輸出可編程功能
7、支持USB和網絡接口(選配)
8、參考資料保護鎖,并帶有斷電自動保護功能
9、超容量的數據存儲功能
|
 |
|
注射裝置
|
鎖模裝置
|
1、雙缸平衡注射系統
2、雙杠座臺進移(中型機以上)
3、多級注射壓力/速度&位置控制
4、多級儲料壓力/速度&位置控制
5、高扭矩油馬達驅動螺桿預塑裝置
6、螺桿倒索防流涎裝置
7、料筒溫度通過電腦PID控制
8、陶瓷料筒加熱裝置
9、料筒下料口冷卻系統
10、螺桿測速裝置(可選)
|
1、斜排式雙曲肘機械鎖模機構
2、連體前連桿整體鑄造
3、機械、液壓、電氣、三重安全聯鎖保護(中型機以上)
4、低壓模具保護裝置
5、多級開合模壓力/速度&位置控制
6、多種液壓頂出裝置
7、快速合模差動裝置
8、模具冷卻水分流器
9、中子裝置標準接口
10、自動集中潤滑系統
11、開關模、頂出位置尺控制
12、自動調模功能(可選)
|
 |
 |
 |
|
專業塑化和射出解決方案 |
平衡式雙射移結構 |
雙導柱直線導軌支承 |
|
液壓部分
|
|
1、采用插閥液壓系統使機器動作反應敏捷平衡
2、壓力流量雙比例閥控制
3、液壓油冷卻裝置
4、高性能進口液壓件優化組合配置
5、油箱開孔大,便于清洗
|
 |
JZW系列機型承國內外客戶多年來一致認可的成熟技術性能可靠之優點,具有高精度、高效率、高使用壽命的產品。
1.省能源高響應節能油路節電20%-80%
2.快速射速提高,空循環時間減短
3.精密選購半閉或全閉回路,成型控制更精密
4.潔凈經噴塑的活動油箱,確保油路潔凈
5.耐用高性能鎖模結構,模具不變形
6.穩定優化設計的機械、油路、電氣控制緊密配合,可搭配高效冷卻器,成型更穩定
7.模組化機構、油路、配線模組化,可組合多個射出系統配合不同的生產工藝需求
|
型號:JZW7380 |
|
配置檔次 |
F6 |
控制器 |
臺灣弘訊 |
|
熱繼電器 |
施耐德 富士 |
電子尺 |
三支電子尺進口 |
|
限位開關 |
松下歐姆龍 |
油泵 |
美國桑尼仕 威格士 |
|
主要方向閥 |
美國威格仕 |
比例閥 |
臺灣東風 機立 |
|
預塑五星馬達 |
英特姆 |
擺線馬達 |
伊頓 濟寧 |
|
潤滑泵 |
自動 |
密封件 |
進口 |
|
交流接觸器 |
施耐德 富士 |
空氣開關 |
施耐德 富士 |